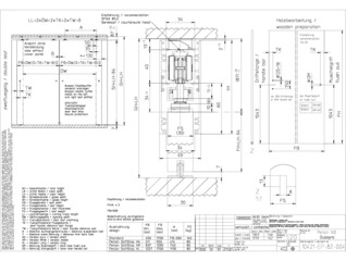
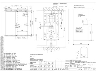
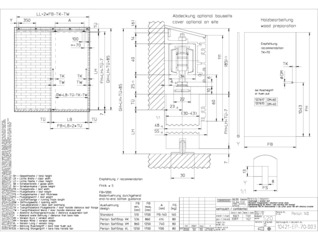
Komplettset Clipsblende 100 * Clipsblende zur Verblendung von Perlan Beschlagsystemen
- Clipsblende bietet eine schnelle und bequeme Art der Verblendung ohne aufwendiges Schrauben
- Perlan Beschlagtechnik (wie Duosync, Perlan AUT-NT) wird hinter der Clipsblende abgedeckt, sodass von vorn eine schlanke, elegante Optik entsteht
- Clipsbefestigung entweder direkt auf dem Perlan Laufprofil oder bei größeren Türstärken über zusätzliche Distanzwinkel
Anwendungsbereiche
- Abdeckung und Verblendung von allen Perlan Beschlagvarianten im Innenbereich
- Für alle ein- oder mehrflügeligen und synchronen Schiebetüren
- Für Wand-, Decken- und Festfeldbefestigung
Technische Daten zum Produkt
| Komplettset Clipsblende 100 | |
| Flügelmaterial | Glas, Kunststoff, Metall, Holz |
| Montageart | Wand, Decke |
| Teleskop | Ja |
| Automatisiert | Ja |
| Festfeld | Ja |
Downloads
Varianten & Zubehör
* Hinweis zu den gezeigten Produkten
Die aufgeführten Produkte können in der Form, Art, Eigenschaft und Funktion (Design, Maße, Verfügbarkeit, Zulassungen, Normen usw.) länderspezifisch abweichen. Kontaktieren Sie hierzu bitte Ihren GEZE Ansprechpartner oder senden Sie uns gerne eine E-Mail .