PT 40 * Glass Fitting Winkeloberlichtbeschlag mit Achslagerbolzen (ø 15 mm)
- Elegante Abdeckkappen aus poliertem oder gebürstetem Edelstahl
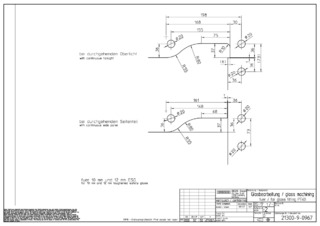
- Problemlose Anpassung an die Glasstärken von 10 - 12 mm
Anwendungsbereiche
- Für feststehende Ganzglasanlagen
- Für Glasstärken 10 und 12 mm
- Für Anlagen im Innen- und Außenbereich
Technische Daten zum Produkt
| PT 40 | |
| Abmessungen | 217 x 32 x 105 mm |
| Breite | 32 mm |
| Länge | 217 mm |
| Höhe | 105 mm |
| Glasstärke (min.) | 10 mm |
| Glasstärke (max.) | 12 mm |
| Montageart | Glasbefestigung |
Downloads
KENNZEICHNUNGSPFLICHT: © GEZE GmbH
Varianten & Zubehör
* Hinweis zu den gezeigten Produkten
Die aufgeführten Produkte können in der Form, Art, Eigenschaft und Funktion (Design, Maße, Verfügbarkeit, Zulassungen, Normen usw.) länderspezifisch abweichen. Kontaktieren Sie hierzu bitte Ihren GEZE Ansprechpartner oder senden Sie uns gerne eine E-Mail .