Schließkörper TS 4000 E * Grundkörper für Gestängetürschließer EN 1-6 mit elektrischer Feststellung
- Stufenlos von vorn einstellbare Schließkraft
- Optische Größenanzeige der Schließkraft sorgt für die richtige Einstellung
- Schließgeschwindigkeit über Ventil von vorn einstellbar
- Endschlag über Gestänge einstellbar
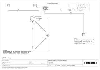
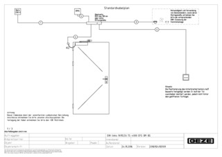
- Elektrische Feststellung
- Türschließer für rechts und links angeschlagene Türen verwendbar
Anwendungsbereiche
- Feuer- und Rauchschutztüren
- Rechte und linke Anschlagtüren
- Anschlagtüren bis 1400 mm Flügelbreite
- Türblattmontage Bandseite und Kopfmontage Bandgegenseite
Technische Daten zum Produkt
| Schließkörper TS 4000 E | |
| Schließkraft nach EN 1154 | EN 1 - 6 |
| Flügelbreite (max.) | 1400 mm |
| Montageart | Türblattmontage Bandseite |
| Öffnungswinkel (max.) | 180 ° |
| Gleiche Ausführung DIN-L und DIN-R | Ja |
| Eingangsspannung | 24 V DC |
| Elektrische Leistungsaufnahme | 1 W |
| Einschaltdauer | 100 % |
| Restwelligkeit | 20 % |
| Schutzart | IP43 |
| Normkonformität | EN 1154:1996/A1:2002/AC:2006, EN 1155 |
| Eignung Brandschutztüren | Ja |
| Länge | 325 mm |
| Breite | 46 mm |
| Höhe | 60 mm |
| Schließkraft einstellbar | Ja, stufenlos |
| Schließgeschwindigkeit einstellbar | Ja |
| Endschlag einstellbar | Ja, über Gestänge |
| Öffnungsdämpfung integriert | Nein |
| Position Schließkraftverstellung | Vorn |
| Optische Schließkraftanzeige | Ja |
| Sicherheitsventil gegen Überlast | Ja |
| Thermostabilisierte Ventile | Ja |
| Feststellung | Elektrisch |
| Feststellung überfahrbar | Ja |
Downloads
Varianten & Zubehör
* Hinweis zu den gezeigten Produkten
Die aufgeführten Produkte können in der Form, Art, Eigenschaft und Funktion (Design, Maße, Verfügbarkeit, Zulassungen, Normen usw.) länderspezifisch abweichen. Kontaktieren Sie hierzu bitte Ihren GEZE Ansprechpartner oder senden Sie uns gerne eine E-Mail .