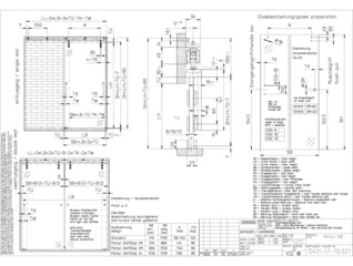
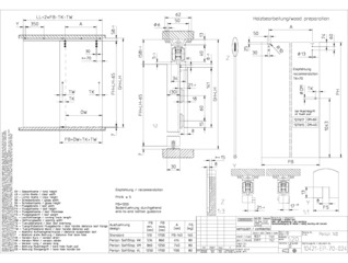
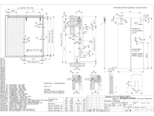
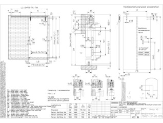
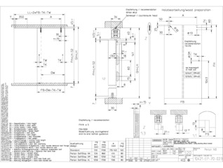
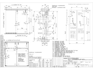
Set GGS Edelstahl Punkthalter * Edelstahl Punkthalter für ESG-Scheiben
- Edelstahl Punkthalter zur Anbindung von ESG-Scheiben an Schiebebeschläge
Anwendungsbereiche
- Perlan Schiebebeschlag
- Für Einscheiben-Sicherheitsglas (ESG)
- Für Glasstärken 10 und 12 mm
Technische Daten zum Produkt
| Set GGS Edelstahl Punkthalter | |
| Flügelmaterial | Glas, Metall, Holz |
| Flügelgewicht (max.) | 140 kg |
| Flügelgewicht (max.) mit Einzugsdämpfung | 80 kg |
| Korrosionsschutzklasse | 2 |
| Glasstärke | 8 - 12 mm |
| Farbe | Edelstahl |
Downloads
* Hinweis zu den gezeigten Produkten
Die aufgeführten Produkte können in der Form, Art, Eigenschaft und Funktion (Design, Maße, Verfügbarkeit, Zulassungen, Normen usw.) länderspezifisch abweichen. Kontaktieren Sie hierzu bitte Ihren GEZE Ansprechpartner oder senden Sie uns gerne eine E-Mail .